頁面載入中...
頁面載入中...
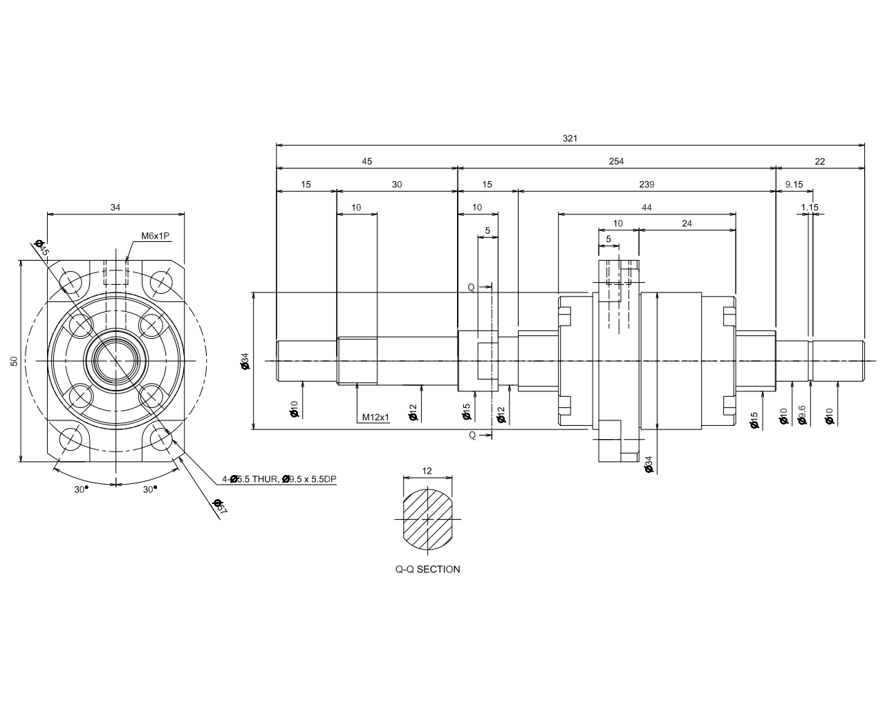
2R15-10U2-DFSH-239-321-0.018滾珠絲杠、南京哈寧軸承制造有限公司是一家致力于高品質動力配件的公司。專業生產銷售進口軸承、滾珠絲杠、軋制絲桿、梯形絲桿、導軌滑塊、工作臺、精密主軸等傳動部件、兼營動力配件。品牌眾多、有瑞典的SKF;美國的TIMKEN、TORRINGTON;德國的FAG、INA;法國的SNFA、SNR;日本的NSK、NTN、IKO、NMB、EASE、KOYO、FYH、ASAHI、IJK、THK、NACHI、EZO、NB;韓國的SAMICK、SBC等品牌。備有大量庫存型號品種齊全、 歡迎垂詢。聯系人:劉長嶺、手機:13801591302、傳真:025-52300551、QQ:349831866、企業QQ:4006606679、郵件:13801591302@139.com、微信號:13801591302
