頁面載入中...
頁面載入中...
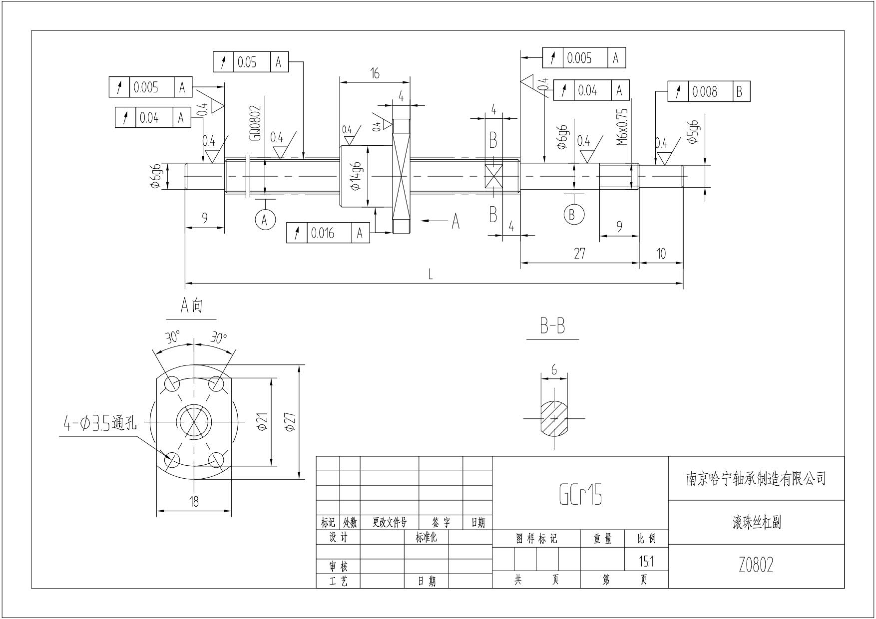
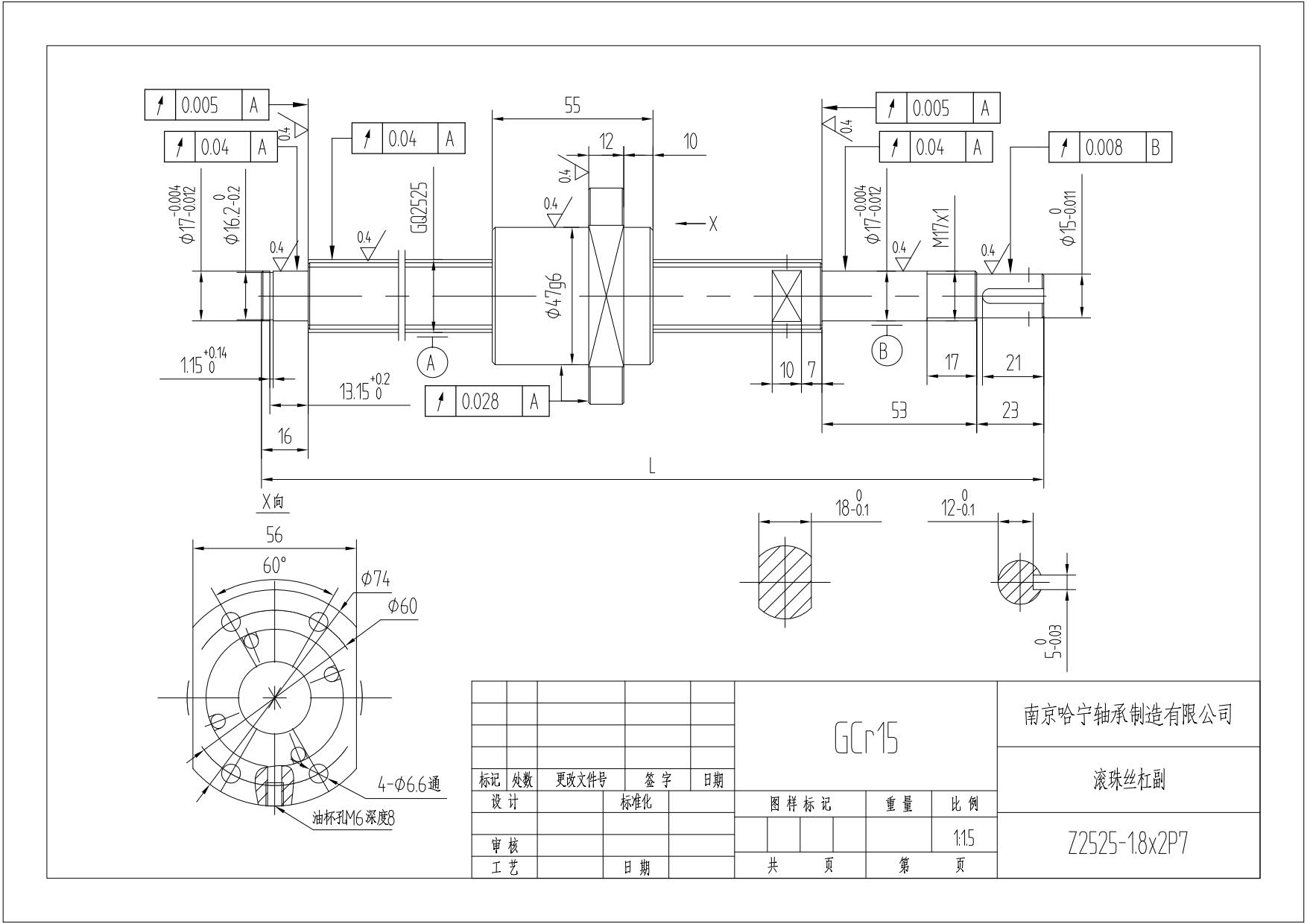
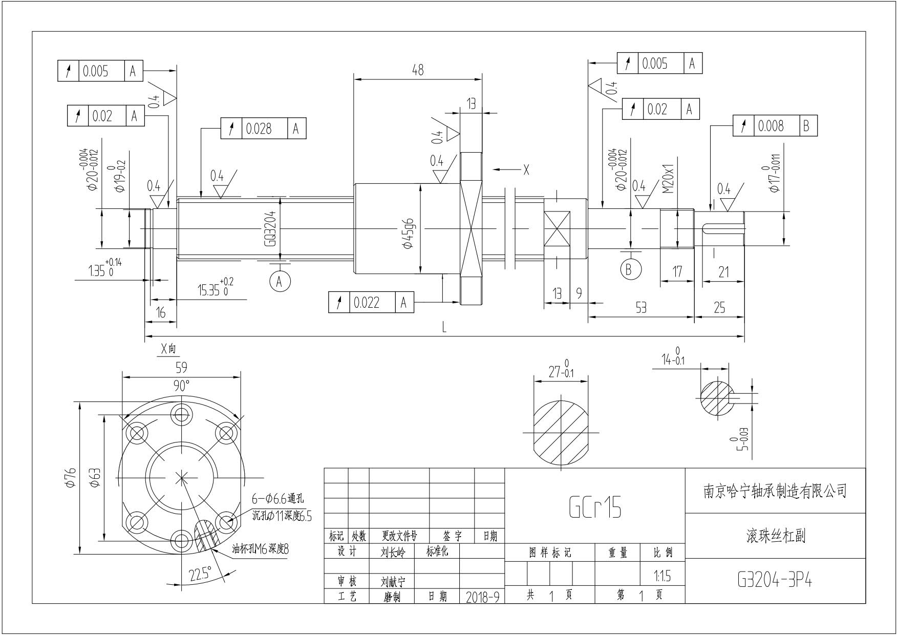
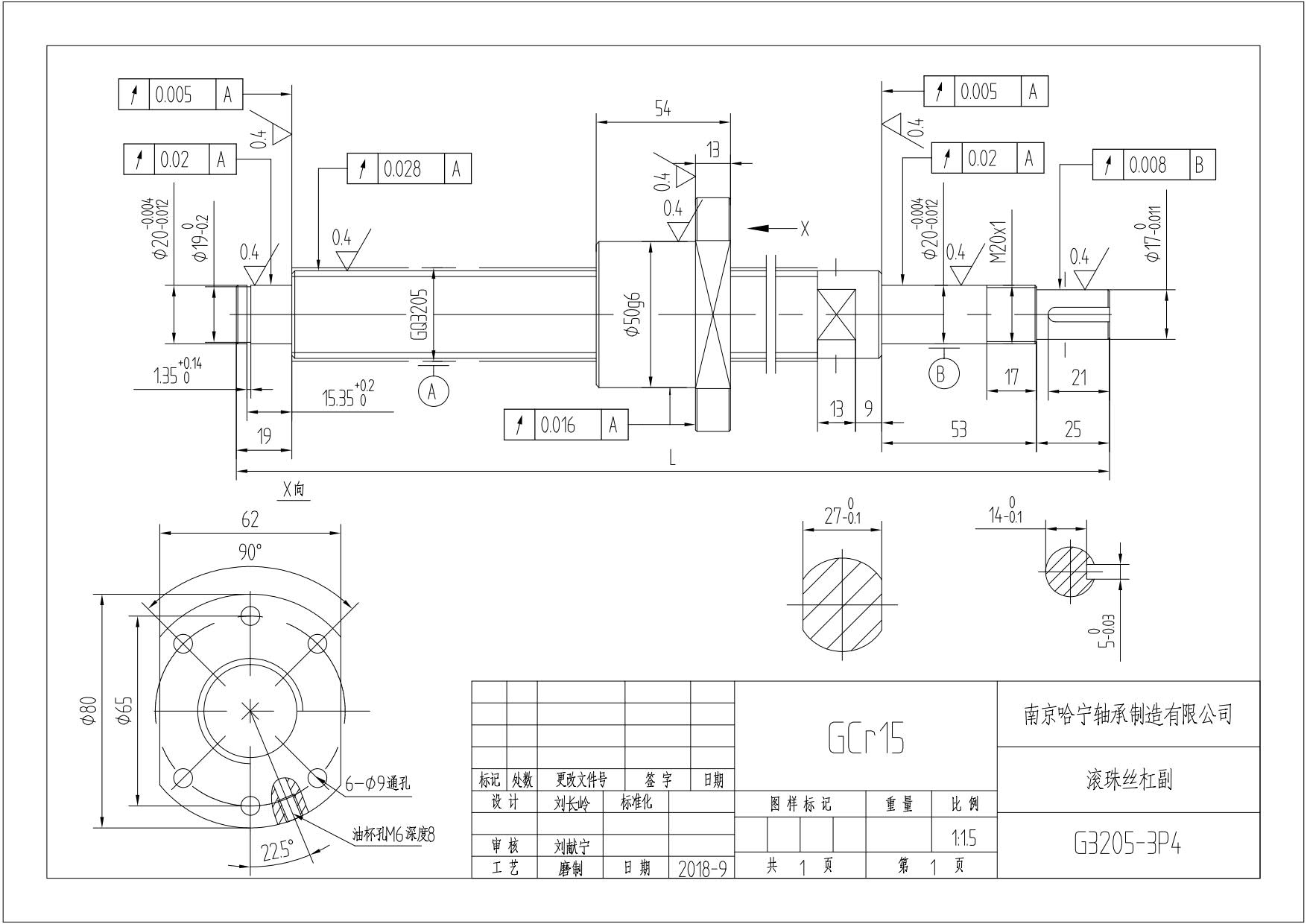
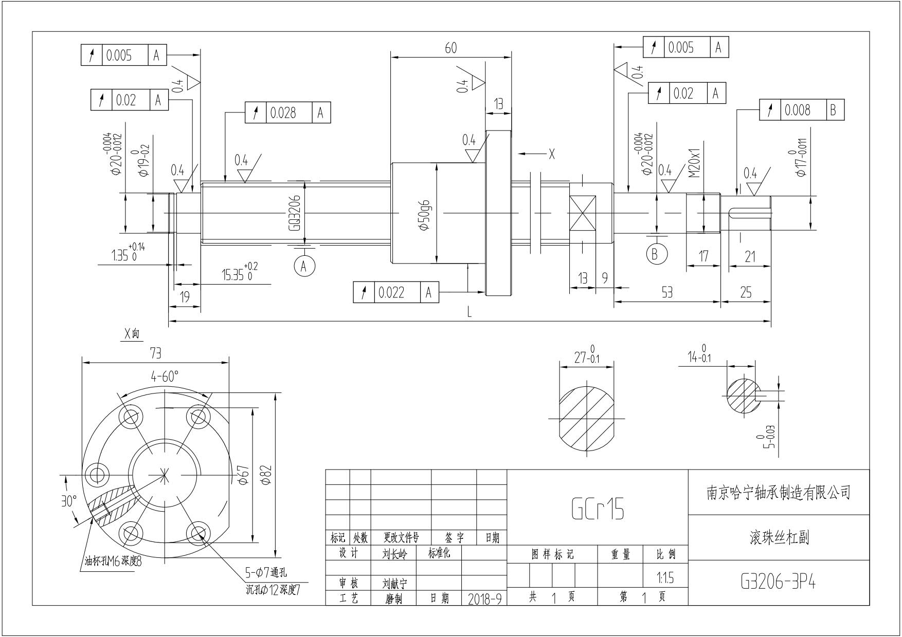
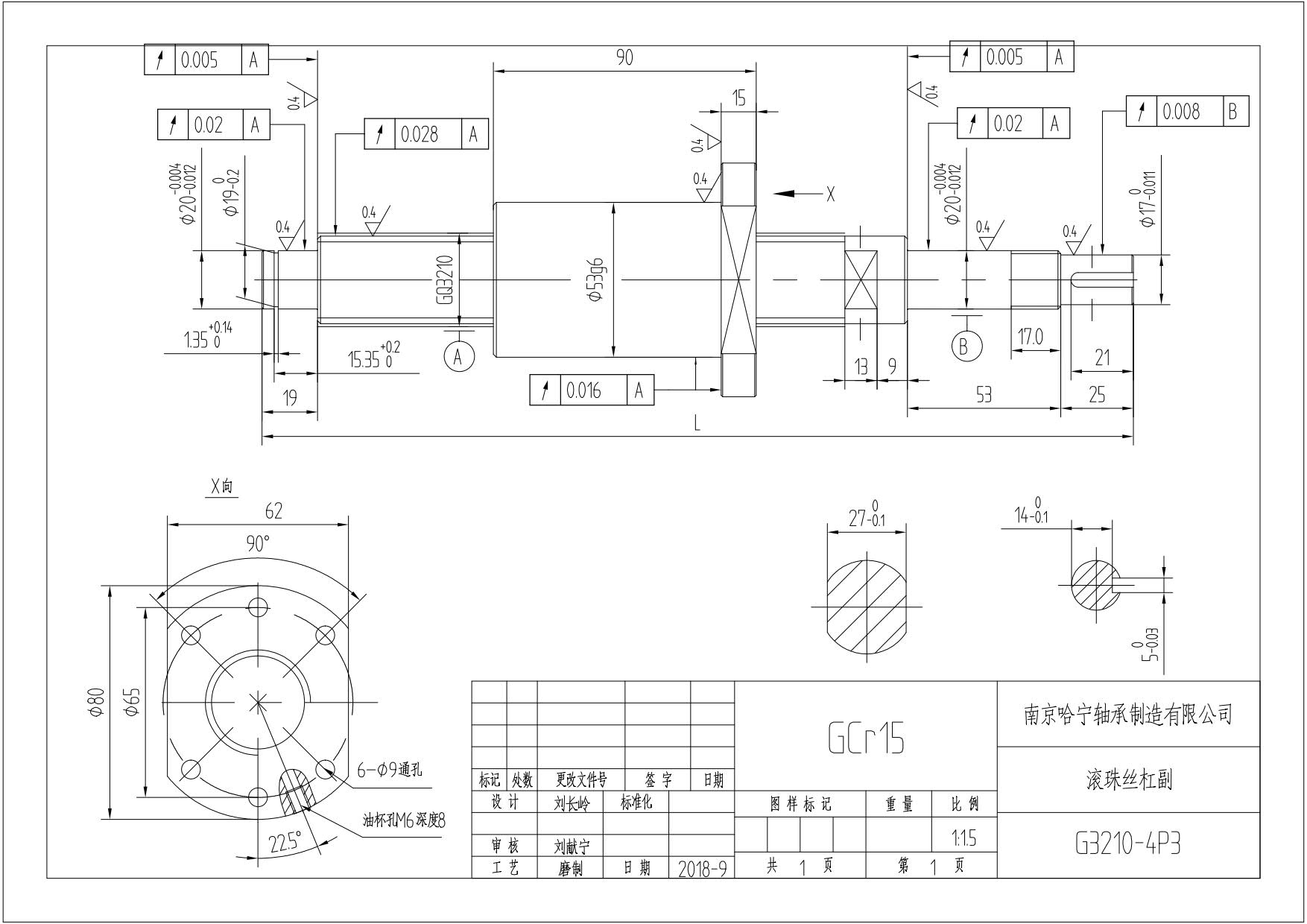
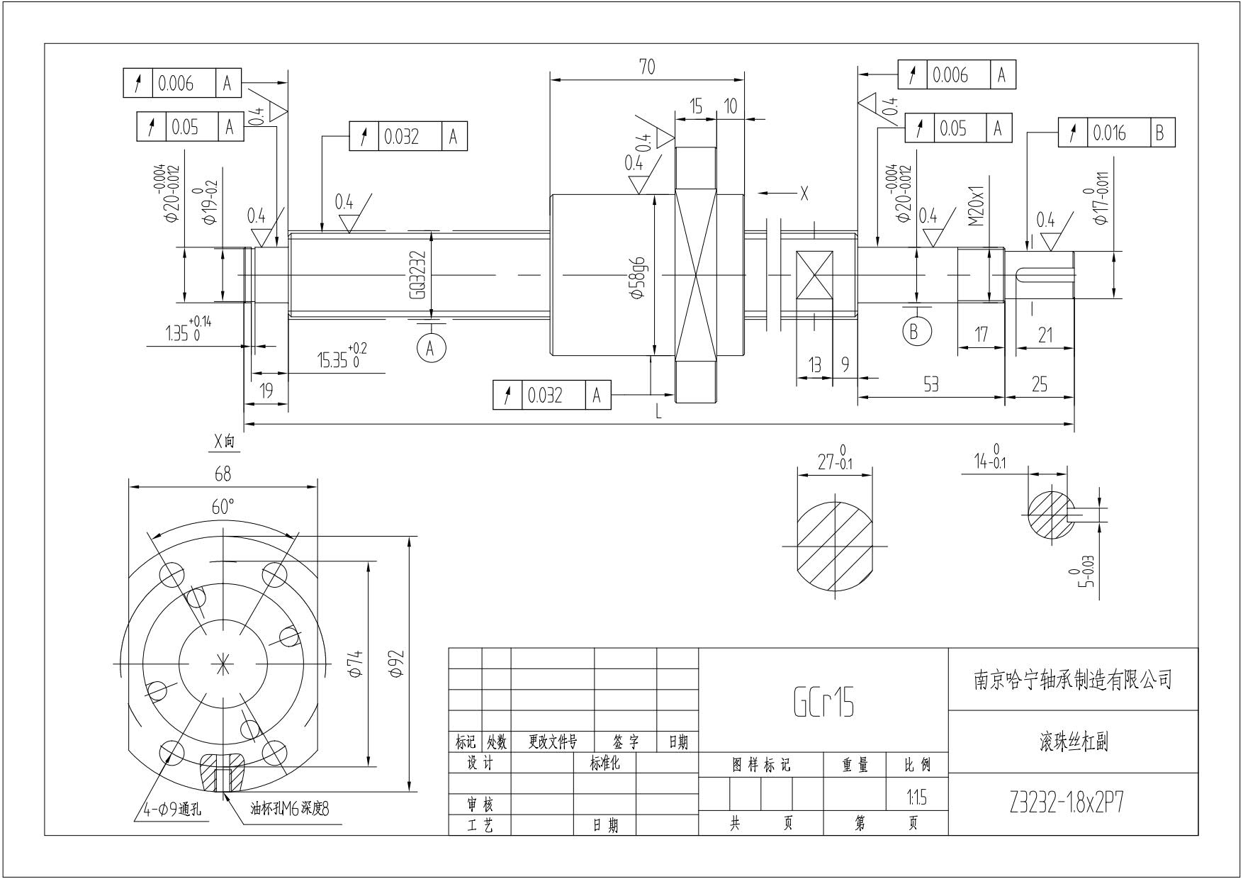
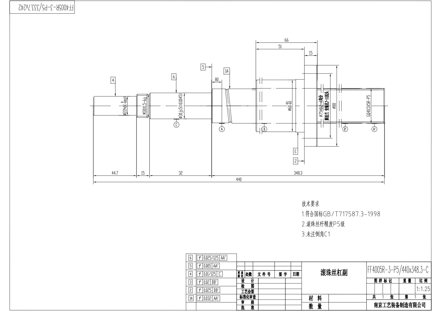
導柱的加工工藝過程
(1)備料、切斷導柱的材料一般為20鋼(或按圖樣要求選取材料)。切斷后,斷面應留有端面車削余量3-5 mm,外圓應留有3—4mm的切削余量。
(2)車削端面、鉆中心孔車削一端面,留出1.5—2.5 mm車削余量,鉆中心孔;調頭車削另一端面至尺寸要求,鉆中心孔。
(3)車削外圓按圖粗車外圓,兩邊各留0.5mm的磨削余量,導柱有槽,切槽至尺寸。
(4)檢驗 檢驗前幾道工序的加工尺寸。
(5)熱處理按工藝進行,保證滲碳層深度0.8-1.2 mm,滲碳后的淬火硬度為58-62HRC。
(6)研磨 研一端中心孔,然后調頭研另一端中心孔。
(7)磨削用外圓磨床及無心磨床磨削外圓。磨削后應留0,01~0,05 mm的研磨余量。
(8)研磨加工后的導柱,為降低外圓表面粗糙度值,達到表面質量要求,可拋光圓柱面。
(9)檢驗 檢驗各工序的加工尺寸。
在導柱加工過程中,外圓柱面的車削和磨削都是以兩端面的中心孔定位,即設計基準和工藝基準重合。中心孔的形狀精度和同軸度對加工質量有很大影響,為消除中心孔在熱處理過程中可能產生的變形和其他缺陷,使外圓磨削時獲得精確定位,導柱在熱處理后必須修整中心孔。
在車床上用磨削方法修整中心孔。在被磨削的中心孔處,加入煤油或機油,手持工件進行修整加工。這種方法效率高,加工質量好,但砂輪磨損快。
用研磨法修整中心孔,是采用鑄鐵頂尖貨環氧樹脂頂尖等工具,加研磨劑在普通車床或鉆床上進行。
擠壓中心孔的硬質合金多棱頂尖。擠壓時多棱頂尖裝在車床主軸的錐孔內,利用車床的尾頂尖將工件壓向多棱頂尖,通過多棱頂尖擠壓作用修整中心孔幾何誤差。一般用于精度修整要求不高的中心孔。












